夜间模式
  • 19981阅读
  • 4回复

[昆山要闻]此处关闭!昆山地铁有变(内含具体调整方案) [复制链接]

上一主题 下一主题
离线直戳痛处
发帖
2671
昆币
94166 枚
只看楼主 使用道具 电梯直达
楼主  发表于: 2024-10-25 , 来自:江苏省0==

紧急提醒!

今天起,昆山这地铁站调整

小伙伴们赶紧看看!


刚通知!昆山地铁这处关闭


近日

苏州轨道交通发布提醒!

为配合2024年第七届中国国际*口*览*安全、顺利进行,根据公安部门有关规定,苏州轨道交通决定于10月25日至11月12日关闭11号线花桥站东西两端换乘连廊(含“Metro大都会、苏e行专用通道”)。现场将按照公安部门要求及客流情况,采取限流、分流措施,请乘客根据指引有序从中部换乘连廊、站外广场进行换乘。


关于博览会期间

乘客换乘通行变更

具体的调整大家看好!


图片
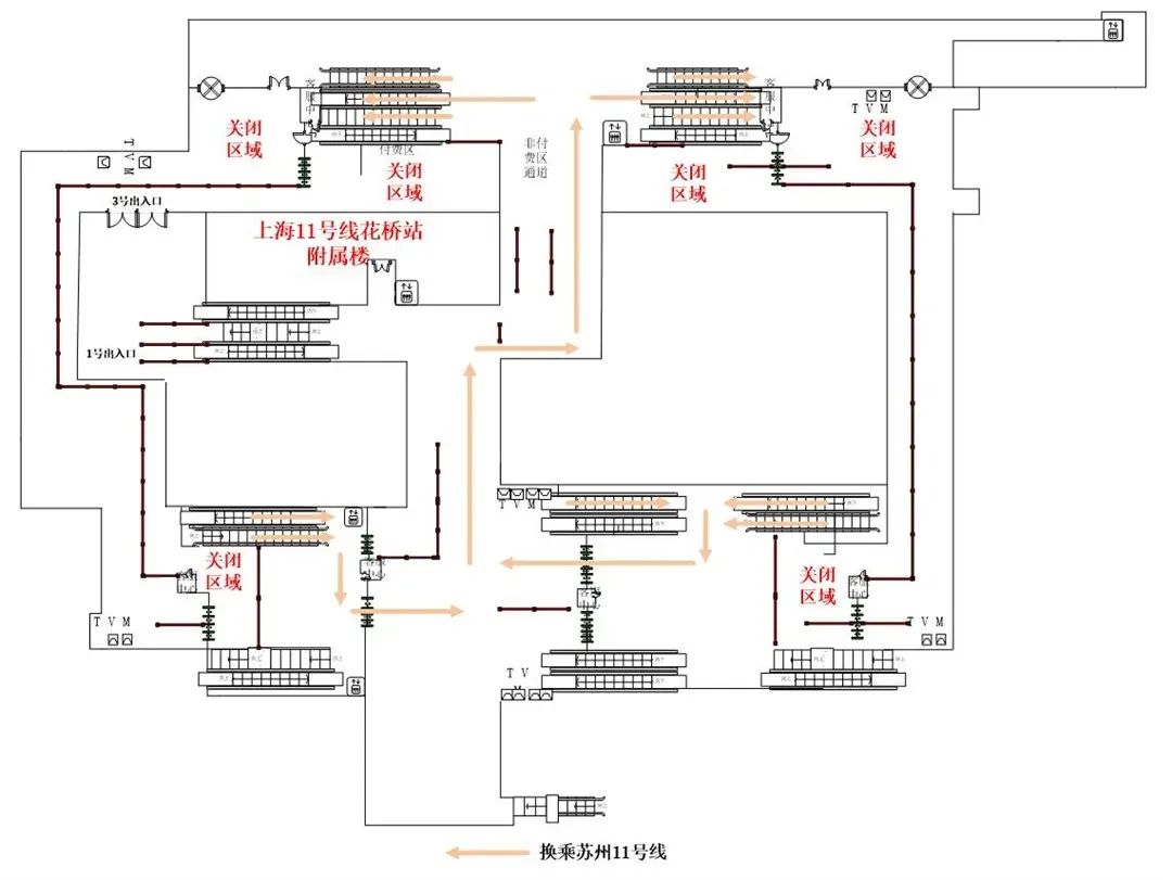
苏州➨上海
图片


苏州11号线换乘上海11号线的乘客

现可采用如下两种方式

方式一:通过出站闸机后,利用中部换乘连廊换乘。


图片

图片


方式二:通过出站闸机后,从3号口、4号口出站至上海花桥站1号口进站换乘。



图片

图片


图片
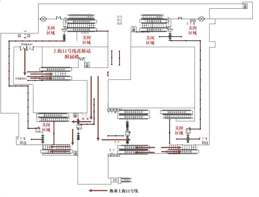
上海➨苏州
图片


上海11号线换乘苏州11号线的乘客

现可采用如下两种方式

方式一:通过出站闸机后,利用中部换乘连廊换乘。


图片

图片


方式二:通过出站闸机后,从1号口出站后至苏州花桥站3号口、4号口进站换乘。


图片

图片


注意:在此期间,使用“苏e行”APP或“Metro大都会”APP“无感换乘”服务的乘客在苏州/上海花桥站也须通过检票闸机扫码进/出站。其他乘客仍按原方式进出通行。


地铁这个免检换乘通道关闭

通行稍有不便,请大家理解配合

另外还有个好消息传来!


预计今年运营!昆山坐飞机又多一选择


近日

上海市域铁路机场联络线

传来最新进展!

9月初,上海首条新建市域铁机场联络线不载客试运行正式启动。目前,为期20余天的连续按工作日列车运行图跑图试验已顺利完成,后续将开展各项应急演练及4+4重联列车型式试验,并同步推进车站装饰装修、机电设备安装等工作。根据计划安排,预计年内虹桥2号航站楼站~浦东1号2号航站楼站具备初期运营条件。


图片


上海市域铁路机场联络线线路全长68.6公里,途经闵行、徐汇、浦东新区3个行政区,全线共设虹桥2号航站楼站、中春路站、景洪路站、三林南站、康桥东站、上海国际旅游度假区站、浦东1号2号航站楼站、浦东机场T3航站楼站、上海东站站共9座车站,其中地下站6座,地面站3座。


图片


目前

从浦东机场到虹桥机场

如果搭乘地铁2号线约需90分钟

要预留不少时间

机场联络线建成后

这个时间将缩短在40分钟左右

可以为出行的小伙伴们

节省不少时间!


图片


事关我们的出行

看完记得放在圈子里

让更多人知道!


本帖评分记录
用户名违规160 昆币 +1 -来自昆山论坛APP 2024-10-26
细味生活 昆币 +1 -来自昆山论坛APP 2024-10-26
王水发 昆币 +1 -来自昆山论坛APP 2024-10-25
3条评分昆币+3
爆料有奖!关注昆山论坛抖音号,抖音搜索“昆山论坛”,或搜索抖音号:ksbbs
 
帅哥离线aaqq5454
发帖
1299
昆币
2936 枚
沙发  发表于: 2024-10-25 , 来自:未知0==
连基本的安检都做不到互认,还谈什么长三角交通一体化
楼中楼
  • 2024-10-25 12:28 18551228509: 查查进博会的历史,知道第4大会展的意义不?啥也不做,出了问题怪下来咋办。 现在我做了我该做的,出了问题,责任是不是好谈一点
  • 2024-10-26 13:08 余烬清风: 地铁算啥,进博会时上海火车站出站也要检查的
本帖评分记录
李发拉 昆币 +1 -来自昆山论坛APP 2024-10-25
1条评分昆币+1
爆料有奖!关注昆山论坛抖音号,抖音搜索“昆山论坛”,或搜索抖音号:ksbbs
 
帅哥离线fyywainI
发帖
7612
昆币
10525 枚
板凳  发表于: 2024-10-26 , 来自:江苏省0==
换乘有点绕了!
爆料有奖!关注昆山论坛抖音号,抖音搜索“昆山论坛”,或搜索抖音号:ksbbs
 
帅哥离线司空煊24
级别: 昆山新人
发帖
125
昆币
272 枚
地板  发表于: 2024-10-26 , 来自:上海市0==
苏州11号线比上海地铁还严,普通的充电宝都要高度盘查,我也是醉了,上海都没问
楼中楼
  • 2024-10-27 07:36 zldh2010: 安检真的是吃饱了没有事情干,浪费人力物力时间。不过现在的就业看,也有一个好处,就是安排就业。
爆料有奖!关注昆山论坛抖音号,抖音搜索“昆山论坛”,或搜索抖音号:ksbbs
 
离线chinaspirite
级别: 昆山过客
发帖
65
昆币
80 枚
4楼 发表于: 2024-10-29 , 来自:上海市0==
每年的惯例
爆料有奖!关注昆山论坛抖音号,抖音搜索“昆山论坛”,或搜索抖音号:ksbbs
 
快速回复
限76 字节
如果您提交过一次失败了,可以用”恢复数据”来恢复帖子内容
 
上一个 下一个